tcl pdp42U6-L等离子工作原理介绍
PDP42U6-L应用了TCL-Genesis视频联合实验室研制的"DDHD数字动态高清芯片",拥有强大的视频处理能力,其中亮彩领袖True Life技术、CCS串色抑制技术、DCDi斜线角度平滑处理专利技术、3D高清还原技术和电影模式等60余项画质提升专利技术,最大限度地保证了TCL平板电视的高品质画面。在产品外观上和TCL的B66系列很相似,采用了外置悬浮屏和雅克力面板,超高分辨率1366X768,亮度为1500cd/m2,对比度为10000:1,支持1080P/1080i/720P等高清格式信号。
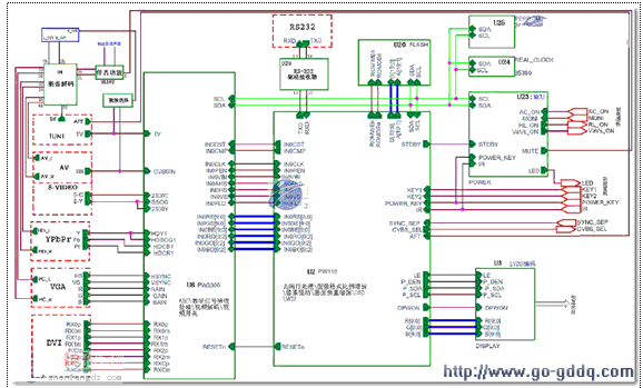
PDP42U6L信号处理电路包括三部分:模拟信号处理电路、数字信号处理电路、伴音功放电路。信号流程如图所示。

模拟信号处理电路包括:高频信号处理电路、S-VIDEO信号输入电路、AV信号输入电路、丽音解码及音效处理电路、视频输出选择电路、AV输出电路等。
数字信号处理电路包括:副MCU电路、电压变换电路、信号处理控制MCU电路、信号输入处理电路、TV信号解码电路(包括ADC转换电路、数字信号接收处理电路、同步处理电路、VBI电路、视频增强处理电路、色度空间转换电路、输出信号格式化等电路)、隔行变逐行电路、显示信号处理电路、LVDS信号编码及输出电路等。
伴音功放电路包括:功放IC工作电压变换电路、伴音功放电路、静音处理电路、伴音输出电路等。
第一节 模拟板信号处理电路
一、电压变换电路
由显示屏电源板连接到数字板的J9,输出+5.0V和+12.0V电压。经J10连接到模拟板的J4,供给+12.0V的电压。
1、调谐电压+32.0V电压变换电路
+12.0V电压经电压变换IC(U504)的升压后输出+32.0V的的电压,连接到TUN1的14脚,作为调谐电压供高频头电路工作电压。
2、电路工作电压+8.0V和+5.0V电压变换电路
+12.0V电压经稳压ICL7808C2T(U5)后,通过C59滤波,输出+8.0V的电压,给丽音解码及音效处理IC工作电压。
+8.0V电压经稳压ICL7805C2T(U6)后,通过C55滤波,输出+5.0V的电压,供给模拟信号处理电路工作电压。
二、TV信号接收处理电路
射频信号RF由高频头TUN1接入,TUN1为一体化频率合成式高频头,RF信号处理后输出复合视频信号和伴音中频信号、AFT信号。其中:
TUN1的17脚输出复合视频信号TV,一路经过Q9放大后由J1插座连线连接到数字板的J5插座,经电容C12藕合后,送视频解码电路(数字板U8的P1脚);另一路送视频输出选择IC(U2)的4脚,进行AV输出视频信号的选择。
TUN1的16脚输出自动频率控制信号AFT,送MCU(数字板U2的V5脚)以控制高频头对接收频率进行自动跟踪调节。
TUN1的7脚输出第二伴音中频信号SIF,送丽音解码及音效处理电路(U4的50脚)。
三、AV信号处理电路
AV信号由P1接入,经ESD2放静电处理后,其中:
AV_IN视频信号送到数字板(经电容C165藕合后,接入到U8的P2脚。)
伴音信号AV_L和AV_R由电容C29和C30藕合连接到U4的44脚和45脚,进行丽音解吗或音效处理。
四、S-VIDEO信号处理电路
S-VIDEO信号由P2接入,其中:
S_Y和S_C信号经ESD1放静电处理后送入数字板(经电容C163和C101藕合后,连接到U8的R1和R2脚。)
伴音信号和AV信号的AV_L和AV_R通道相同。
五、丽音及音效处理电路
丽音解码和音效处理电路主要由MSP3450G芯片以及简单的外围电路组成。
输入信号主要有四路:
1、TV的伴音中频信号SIF,该路信号可以进行丽音的解码处理,然后在进行音效处理。
2、AV的S-VIDEO的伴音信号,共用同一通道输入,都是连接到AV_L和AV_R通道,进行音效处理。
3、VGA的伴音信号PC_L和PC_R信号输入通道,进行音效处理。
4、高清信号的伴音通道HD_L和HD_R输入,进行音效处理。
经过音效处理后,伴音的输出有两路通道:
1、由U4的26脚和25脚输出,分别连接到电阻R48和R46,经Q3和Q4射随输出,作为AV-OUT的伴音输出L_OUT和ROUT,连接到P3的5脚和6脚,输出AV的伴音信号。
2、经U4的21脚和20脚输出,通过插座J2连接,送到功放板进行功率放大处理。
六、AV视频输出选择电路
由高频头调谐处理电路输出的TV复合视频信号和AV输入的AV_IN信号,分别由U2的4脚和6脚输入,经MCU的选择信号CVBS_SEL的控制下,选择的视频信号CVBS由U2的5脚输出。
输出的CVBS信号由电容C19藕合后,经Q2射随输出V_OUT信号,连接到P3的4脚输出AV的视频信号。
第二节 数字板信号处理电路
一、副MCU电路
副MCU电路主要由PIC16F716(U23)芯片和外围电路组成。
当打开交流市电开关后,显示屏电源送出+5V电压5VS给数字板作为待机供电电源。副MCU芯片U23(PIC16F716)的14脚得到+5V供电,MCU开始工作。
1、开机控制
副MCU(U23)的6脚接到的面板开关POWER_KEY信号,或U23的12脚接收到遥控器的开机信号时,副MCU(U23)的10脚发出LED_B(蓝灯)信号,同时9脚发出关闭LED_R(红灯)信号,使前面板的蓝色信号灯点亮,而红灯熄灭。电源控制电路开始启动:
①副MCU接收到显示屏发送的AC_ON_PANEL信号后,副MCU给显示屏发送RL_ON_PANEL信号,控制显示屏电源输出+5V(5V_MAIN)和+12V(12V_MAIN)的工作电源到数字板,数字板的信号处理电路开始工作。
②当副MCU的17脚接收到5V_MONI_PANEL信号,则向显示屏电源发出信号VsVa_ON_PANEL输出VsVa电压,供给显示屏显示处理电路工作电源。
在完成以上的启动后,机器进入正常的工作状态。
2、待机控制
副MCU(U23)的3脚接到主MCU (U2)的STDBY关机信号时,副MCU的10脚发出关闭LED_B(蓝灯)信号,同时发出LED_R(红灯)信号,使前面板的蓝色信号灯关闭,而红灯点亮。
副MCU发出关机信号,使显示屏电源关断+5V(5V_MAIN)和+12V(12V_MAIN)的供电,使得整机的电源供电只有一个很小电流的+5V 的5VS电源,所以待机功耗非常小。
3、静音控制
功放电路的静音控制信号由副MCU(23)的7脚发出,由插口J1连接到功放板的J2插头,送到U1102(TPA3004D2)的1脚,控制U1102集成电路的音频输出。
4、连接口
插座J18用于程序的调试或升级预留口。
二、电压变换电路
从显示屏电源连接到数字板的J9插座的5V_MAIN和12V_MAIN的电压,其中:12V_MAIN的电压通过插座J10连接输出到模拟板的J4;5V_MAIN的电压通过电压变换为3.3V、2.5V、1.8V供给数字板的IC和各种信号处理电路的工作电压。
1、数字电路电源V33电压
该电路通过U14(集成块AIC1084-33CM3.3V)的2脚输入5V电压,IC电压变换后,由3脚和4脚并联输出3.3V的电压。电路结构简单,变换过程功率损耗低。
2、数字电路电源V18电压
由V33电压变换输出的3.3V电压,经U15(集成电路KD1084AD2T18)的2脚输入,经内部集成电路处理后,由3脚和4脚并联输出,再经电容C115和C114滤波后输出稳定的电压1.8V。
3、数字电路电源V25电压
5V_MAIN电压输入U16(KD1084-25)的2脚,电压变换后,由3脚和4脚并联输出
、经电容C134和C135滤波后,得到稳定的2.5V电压。
4、模拟电路电源V33A电压(PW3300)
5V_MAIN电压输入U7(LD1117-33B)的3脚,电压变换后,由2脚输出、经电容C48和C49滤波后,得到稳定的3.3V的V33A电压。
5、模拟电路电源V33ADC电压(PW3300)
V33A电压通过连接的电感L11经电容C3滤波后得到稳定的3.3V的V33ADC电压。
6、模拟电路电源V33AA(PW118)
V33电压通过连接的电感L22经电容C156滤波后得到稳定的3.3V的V33AA电压。
7、模拟电路电源V18A、V18P、V18SP电压(PW3300)
5V_MAIN电压输入U6(LD1117-18B)的3脚,电压变换后,由2脚输出、经电容C46和C47滤波后,得到稳定的1.8V的V18A电压。
V18A连接电感L10后输出V18P电压,连接电感L12输出V18SP电压。
8、模拟电路电源V18MV、V18PD电压(PW118)
V18连接电感L21后经电容C155滤波后得到稳定V18MV电压;
连接电感L23经电容C154滤波后得到稳定输出V18PD电压。
三、信号输入处理电路
1、VGA(RGB)信号
VGA信号由P4插座接入,其中:
①P4的13脚和14脚分别输入行同步信号HSYNC和场同步信号VSYNC,连接到U8的T1和T3脚,送入集成电路电路进行视频信号处理。
②P4的1脚/2脚/3脚则分别输入R/G/B信号,经电容C177/C174/C173藕合和连接到U8的K2/K1/M1脚,送到集成电路进行信号处理。
③P4的2脚经电容C176藕合后得到的PCSOG信号,送到U8的L1脚进入到集成电路进行信号处理。
另外,P4的12脚15脚为预留接口,可以用于代替RS232接口作为数据的传输用,该机芯未接。
2、YPbPr(HDTV)信号
P2插座输入高清信号HDTV,其中:
①P2的1脚输入Y信号,经电容C192藕合后得到HDY1信号,连接到U8的N2脚;经电容C191粥合得到的HDSOG1信号,连接到U8的N3脚。
②P2的2脚/3脚输入的Pb/Pr信号经电容C196/C187藕合后得到的HDCB1/HDCR1信号,分别连接到U8的N4/N1脚。
3、DVI信号
P1插座输入DVI信号,其中的17脚/18脚、9脚/10脚、1脚/2脚分别输入三对数据信号Rx0m/Rx0p、Rx1m/Rx1p、Rx2m/Rx2p,连接到U8A的G2/G3、F2/F3、E2/E3。
23脚/24脚输入一对时钟信号RxCp/RxCm,连接到U8A的G1/F1。
6脚/7脚输入I2C总线的时钟线/数据线,连接到U8C的B5脚/B4脚,同时,也分别连接到U1(E2PROM)的6脚/5脚。
4、RS232接口
RS232口作为本机和外部设备的数据传输口,通过P3的2脚/3脚连接到驱动接收器U28(MAX232)的14脚/13脚,由U28的11脚/12脚连接到U2D的W13脚/Y13脚,在主MCU的控制下,进行数据的发送和接收。
四、信号解码及加强(亮/色/)处理电路
1、信号接收
由输入信号处理电路送来的信号共有六路:
其中模拟信号有:从U8A的P1脚输入的TV信号;P2脚输入的CBVS(AV)信号;R1脚/R2脚输入的S-VIDEO信号;N1脚/N2脚/N3脚/N4脚输入的分量(YPbPr)信号;K2/K1/L1/M1/T1/T3脚输入的VGA信号。
数字信号有:从E3/E2/F3/F2/G3/G2/F1/G1脚输入的DVI信号。
①模拟通道输入
复合视频信号(TV/AV/S-VEDIO)、VGA信号、YPbPr分量信号分别输入到U8(PW3300)后,经开关选择后的信号由ADC模拟到数字转换器转换成为数字信号。
其中:ADC对复合视频信号(TV/AV/S-VEDIO)采用重复取样技术,在转换为数字信号后直接以数字束流直接送下一信号处理器;VGA信号在转换为数字信号的同时,将HSync信号恢复为时钟信号,然后根据恢复像素时钟,排列像素数据的输出;对于分量信号YPbPr,ADC转换器将它作为图像信号处理,恢复时钟信号,按照像素时钟,排列像素数据的输出。
数字信号送放混叠滤波器,进行偏移量控制和增益控制后,将该信号送到多重选择器。
②数字通到输入
DVI信号送到U8后,由内部集成电路的数字信号接收器接收处理,对信号进行放拷贝解密后,送到多重选择器。
2、视频解码电路
视频解码器支持复合视频信号CVBS和S-VEDIO两种格式的信号,并对重复取样的数据不加处理的进行解码,解码后输出13.5 MHz 的10-bit的4:2:2格式的YUV数据。
对CVBS和S-VEDIO信号采用108MHz的重复取样率进行ADC转换,使得还原原始信号的能力大大加强,而且非常精确。
外接一个16M的SDRAM(U17),对PAL制和NTSC制的信号进行3D梳状滤波,使亮、色彻底分离,从而不会出现亮、色干扰,为得到高质量的画质做好充分准备。
3、视频加强电路
动态亮度瞬态改善电路使图像水平方向的轮廓得到校正,增强立体的感觉。
动态色度瞬态改善电路使变化的图像色度不会失真。
亮读峰值限制电路和锐度的增益控制,改善图像质量。
4、肤色校正及色度空间转换
肤色校正电路,使图像的色调更逼真。
色度空间转换电路,像素格式可以将4:2:2格式转换为4:4:4格式,也可以将4:4:4格式转换为4:2:2格式。
5、综合输出时序发生器
该电路对信号进行格式化处理,处理后的信号有以下的格式:
◆CCIR-601图像格式
◆8-bit的ITU-R 656连续图像格式
◆带行同步、场同步和数据输出允许的时钟限制的图形像素格式。
◆单带宽、双带宽和双带宽交错输出的图形格式。
经处理后的信号由U8A的以下引脚输出R/G/G信号到U2A:
B10/A10/C11/b11/A11/C12/B12/A12脚输出IN0RO[9:2]信号;
C13/B13/A13/C14/B14/A14/A15/A16脚输出IN0GO[9:2]信号;
B16/B15/C16/C15/D16/D15/D14/E14脚输出IN0BO[9:2]信号;
G14/H16/H15/H14/J16/J15/J14/K16/K15/K14脚输出IN0RE[9:0]信号;
L16/L15/L14/M16/M15/M14/M13/N16/N15/N14脚输出IN0GE[9:0]信号;
P16/P15/P14/R16/R15/R14/T16/T15/T14/T13脚输出IN0BE[9:0]信号。
五、隔行变逐行电路及显示信号处理电路
由U8A输出的图像信号送到U2A后,由内部集成电路进行图像信号的处理,该集成电路电路包括:系统控制电路,图像信号接收电路,图像处理及隔行变逐行电路,画质处理电路、OSD处理电路,外围接口信号处理电路,显示信号处理电路。
1、系统控制电路
系统控制电路包括扩频时钟发生器、CPU存储器接口电路、存储器控制系统、中断控制器、微处理控制器CPU。
该系统控制电路是整机的主MCU,除电源启动和关闭由副MCU(U23)外,从信号的输入到显示信号的输出的全过程,均由该系统控制进行处理控制。
CPU为8086内核,使用80186扩展指令,16bit处理器,运行速度可达100MHz。
2、图像信号接收电路
该电路包括信号输入捕捉电路、同步信号处理、场信号检测电路、PLL锁相换电路、VBI场消隐插入行处理电路。
处理后的信号,送图像处理及去隔行处理电路。
3、图像处理及隔行变逐行电路
这部分电路主要处理图像的比例缩放(Scalers)、降噪、电影模式检测、运动检测、斜线锯齿补偿、运动自适应去隔行处理、像素驱动。
Sclalers包括行Sclalers和场Sclalers。
由于隔行扫描信号出现行间闪烁而使显示的图像质量受到影响,去隔行处理后,变为逐行扫描则消除了以上的现象。
为补偿LCD显示器的液晶的响应速度迟缓的现象,采用了像素驱动电路后,能加快响应的速度(该机芯也用于LCD机型方案)。
由于该电路处理信号时需要很大的临时空间,所以外接一对128M的DDR_SDRAM(U12、U13)存储器M13S128168A。
4、OSD处理电路
OSD电路包括OSD产生电路和控制电路。
5、外围接口信号处理电路
扩频时钟发生器、显示时序发生器、帧缓冲存储器接口电路。
6、显示信号处理电路
包括显示信号的色度矩阵处理、r校正查表处理、色度空间扩充。
经以上处理后的显示信号,由U2C的引脚输出到LVDS编码器U3(THC63LVDM83R)。
电路图如下所示:
显示信号输出包括:
时钟信号DCLK1
行同步时序信号DHS
场同步时序信号DVS
数据信号DR2~DR9、DG2~DG9、DB2~DB9
数据输出控制信号DEN。
六、LVDS信号编码及输出电路
由于显示信号的远距离传送过程信号受到干扰,所以在输出到显示屏处理电路之前,将TTL信号转换为LVDS信号,在显示屏电路再将LVDS信号还原为TTL信号。
该电路里采用THC63LVDM83(U3)集成电路将TTL信号进行LVDS信号格式编码,该信号抗干扰能力强、功耗低、高速传输。如图所示为对显示信号进行LVDS格式编码和输出电路:

七、信号处理控制MCU电路
U2D为主MCU电路,当副MCU(U23)控制电源启动以后,出静音控制外,其他的控制处理工作均由主MCU(U2D)完成。
1、主MCU和副MCU的控制关系是:
待机时,主MCU停止供电,处于完全的关机状态;
开机时,副MCU控制各路电源上电后,主MCU开始工作,控制整机的信号处理电路,需要进行待机时,由主MCU发出信号给副MCU,由副MCU控制电源电路进行待机处理。
2、主要引脚的功能
W7/V7脚外接14.318MHz的晶振,产生电路的时钟信号。
Y13/W13引脚通过RS-232接口和外部设备进行数据的异步传输RXD/TXD。
AB13引脚为遥控信号的接收IR_MCU。
W11引脚为待机信号输出口,向副MCU发出进行待机控制指令STDBY。
W12引脚为控制AV_OUT输出信号的信号源选择CVBS_SEL。
Y12引脚为TV信号的同步头信号输入SYNC_SEP,用于TV信号的搜索判断识别。
AA6/AB7引脚为面板按键输入信号KEY1/KEY2。
V6引脚高频头的自动频率跟踪信号AFT。
第三节 功放板信号处理电路
一、音频信号
功放板对输入的音频信号进行功率放大处理,并输出放大后的音频信号驱动扬声器,完成伴音的处理。
由模拟板的J2接口连线到功放板的J1101插座,从插座J1101的1脚/3脚输入左右音频信号到U1102(TPA3004D2)的3脚/5脚,在内部集成功率放大电路进行放大后。
经U1102的16/17脚输出左声道的负极性音频信号、20/21脚输出左声道的正极性音频信号;44/45脚输出右声道的负极性音频信号、40/41脚输出右声道的正极性音频信号。
输出的音品信号分别经电感L1101、L1102、L1103、L1104连接到插座J1105,有J1105送出到扬声器。
二、功放IC电源
由显示屏电源输出+24V的电压连接到J1103插座,J1103的1脚输入+24V电压到U1101(LM2596S-ADJ)的1脚,通过内部集成电路的电压变换后由2脚输出+13.5V的电压,供功放IC(U1102)工作电压。
- 刊登此文只为传递信息,并不表示赞同或者反对作者观点。
- 如果此内容给您造成了负面影响或者损失,本站不承担任何责任。
- 如果内容涉及版权问题,请及时与我们取得联系。

文章评论