奇声AV-737功放所有功能键均失效(包括遥控)
连好信号线,插上电源,功放进入等待状态。若先打开VCD电源,后开功放,则功放所有功能键均失效(包括遥控),出现死机故障。此时单独拔下AV-737的电源插头,等待几秒钟再插,开机一切正常。若每次先打开AV-737功放电源,再开VCD,则不会出现上述故障。
在故障出现时,测待机供电正常,查CPU1997(或9800)的{64}、{46}脚(电源端)5V电源正常,{32}、{44}脚(地端)接地正常。按电源开关键,CPU{28}脚(POWER)控制输出端无变化。AV-737的电源开关方式为轻触式按键控制开关,当它被接通时,CPU即接到开机指令,其{28}脚输出高电平,控制继电器吸合,接通整机电源。据故障现象和测量数据判断,AV-737抗干扰能力较差,因受VCD机开机时产生的各种噪波干扰而出现CPU死锁。拔下其电源插头再插上,相当于给CPU重新复位,所以能正常工作。
AV-737所受干扰不外乎电源干扰和信号输入端干扰两种。根据经验,电源电路滤波不良或其它原因,最易引起上述故障。于是先查电源电路,反复拔插AV-737的电源插头或故意使其接触不良,人为产生电源噪波进行干扰,反复许多次,才偶尔出现一次死机。查CPU供电路各元件正常,加大电源滤波电容,并在CPU{46}脚附近增加0.01μF电容一个,以便滤除高频干扰,试机,故障依旧。又在电源变压器初级增加滤波网络,仍然无效。由此说明引起CPU死锁的干扰脉冲不是从电源窜入的。
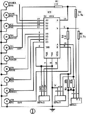
排除了电源干扰之后,还得考虑从音频输入端窜入的干扰。查VCD音频输出端,在开机瞬间有较大幅度的尖锋脉冲输出(很多VCD机均有此现象)。拔除VCD到AV-737所有的信号连线,试机果然正常。于是顺藤摸瓜,检查功放的输入选择电路。奇声AV-737所附的电原理图中,由于篇幅有限,输入选择电路只简单地画了一个象征性的开关选择电路,而实际是电子开关选通电路(如图1所示)。仔细检查,发现电子开关集成电路TC4052的电源地与音频信号地相连,同时又通过其A、B电平控制线的屏蔽线与CPU的地相连。拔下SIPA-3插头,试机,没有出现上述故障,说明干扰信号是通过此屏蔽线窜入CPU电路的。从整机原理分析,此屏蔽线只是起A、B控制线的屏蔽作用,避免控制电平受到干扰而自动切换输入选择。于是,在图1中的“×”处断开屏蔽线与音频信号地相连接的铜箔,插好SIPA-3插头,试机,故障排除。多台出现此故障的AV-370功放经过这样修理后,至今工作正常。
