家电维修网

 找回密码
 注册
家电维修网 网站首页 液晶维修 查看内容

海尔LE40AL88U31(MSD6A628机芯)液晶彩电维修及升级

2018-12-10 10:00| 发布者: 南召修电视| 查看: 1204| 评论: 0

摘要: 海尔LE40AL88U31(MSD6A628机芯)液晶彩电电路方框图海尔LE40AL88U31(MSD6A628机芯)液晶彩电电源分配图海尔LE40AL88U31(MSD6A628机芯)液晶彩电DDR供电电路1)电路原理图4)保护功能:  a.过流保护点:1.5A,进入过流 ...

海尔LE40AL88U31(MSD6A628机芯)液晶彩电电路方框图

海尔LE40AL88U31(MSD6A628机芯)液晶彩电电源分配图

海尔LE40AL88U31(MSD6A628机芯)液晶彩电DDR供电电路

1)电路原理图

 4)保护功能:

  a.过流保护点:1.5A,进入过流保护,输出处于打嗝状态;

  b.短路保护:同过流保护机制。

海尔LE40AL88U31(MSD6A628机芯)液晶彩电3V3_M供电电路

电路原理图

海尔LE40AL88U31(MSD6A628机芯)液晶彩电3V3_STB供电电路

 1)电路原理图

海尔LE40AL88U31(MSD6A628机芯)液晶彩电5V_STB供电电路

1)电路原理图

2)输入特性:

海尔LE40AL88U31(MSD6A628机芯)液晶彩电+1.1V_VDDC供电电路

1)电路原理图

海尔LE40AL88U31(MSD6A628机芯)液晶彩电+1.1V_VDDC_CPU供电电路

 1)电路原理图

 4)保护功能:

  a.过流保护点:5.5A-8A,进入过流保护,输出处于打嗝状态;

  b.短路保护:同过流保护机制。

  C.过温保护:130℃。

海尔LE40AL88U31(MSD6A628机芯)液晶彩电5V_M供电电路

 1)电路原理图

海尔LE40AL88U31(MSD6A628机芯)液晶彩电Panel供电电路

 此电路中QM6为控制管,QM5为电子开关,开机时,主芯片输出PANEL_ON高电平电压使QM6饱和导通,12V电压经QM5源级和漏极,经LVDS插座送到屏上的控制板,作为控制板的工作电压。

 CM8影响LVDS12V上电时间,若容值太小,会导致上电过快。但CM8也不易过大,过大会导致12V掉电有太大的下降。

海尔LE40AL88U31(MSD6A628机芯)液晶彩电之背光控制电路

 此机开机时,主芯片VBL_CRTL输出低电平使Q7三极管截止,5V电压经RG13,电压送到背光驱动电路,启动背光驱动电路工作,为背光灯提供驱动脉冲信号,所以Q7及相关电路有故障会导致背光驱动电路停止工作,出现无光栅,无图像,有伴音的故障。

海尔LE40AL88U31(MSD6A628机芯)液晶彩电之背光亮度控制电路

此机开机时,主芯片RRI_ADJ脚输出的亮度控制信号经RG3,Q9放大后改为BL-ADJUST网络连接到电源部分背光亮度控制电路。若测此电压为零,表明背光不能点亮的原因应在机芯板

海尔LE40AL88U31(MSD6A628机芯)液晶彩电之存储电路

 THGBMBG5D1KBAIT是一片存储容量为4GB的FLASH芯片。开机时,主芯片读取FLASH中的程序并运行。当该模块电路出现故障时,会导致无法开机。

海尔LE40AL88U31(MSD6A628机芯)液晶彩电之本控电路


海尔LE40AL88U31(MSD6A628机芯)液晶彩电之遥控电路


海尔LE40AL88U31(MSD6A628机芯)液晶彩电之AV_OUT接口电路


海尔LE40AL88U31(MSD6A628机芯)液晶彩电之YPBPR&AUDIO IN&COAX接口电路


海尔LE40AL88U31(MSD6A628机芯)液晶彩电之网络接口电路


海尔LE40AL88U31(MSD6A628机芯)液晶彩电之USB2.0接口电路


海尔LE40AL88U31(MSD6A628机芯)液晶彩电之USB3.0接口电路


海尔LE40AL88U31(MSD6A628机芯)液晶彩电之wifi&2.4G接口电路


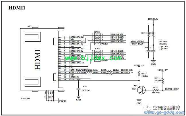
海尔LE40AL88U31(MSD6A628机芯)液晶彩电之HDMI接口电路

海尔LE40AL88U31(MSD6A628机芯)液晶彩电之MHL充电电路

海尔LE40AL88U31(MSD6A628机芯)液晶彩电之开关机静音电路

海尔LE40AL88U31(MSD6A628机芯)液晶彩电之功放电路

 维修提示:关于功放出故障,表现出扬声器没有声音,首先要确保功放本身没有虚焊及连焊。其次再分析是否是其他硬件原因,包括功放供电的12V要有、左右是否有输出

海尔LE40AL88U31(MSD6A628机芯)液晶彩电之Tuner射频电路

海尔LE40AL88U31(MSD6A628机芯)液晶彩电软件升级方法

 1、正常升级方法

  将升级文件install.img拷贝到U盘根目录,插到电视USB接口,按遥控器菜单键,依次按8893,弹出工厂菜单,按遥控器上下键选择628Update,按确定键,出现升级界面,将焦点移至“Confirm”按钮,按遥控器确定键,等待升级完成。

  2、异常升级方法

  升级方法:把主程序以及Mboot放到U盘根目录下,把U盘插到TV的USB端口,按住本控的Menu键,上电,直到出现升级界面,松开Menu键,升级成功后TV待机。

海尔LE40AL88U31(MSD6A628机芯)液晶彩电电源交流输入电路


最新评论

  • 长虹液晶电视减小背光电流的方法
  • 换灯管后,如何减小液晶电视背光灯电流
  • deepseek回答的三星液晶屏技改方案
  • 液晶COF边板RM76151FH-061飞线点位图
  • 液晶显示器边板43T10-SOF上的4265H是什么芯
  • 组装机采用TP.V56.PB726主板黑屏的故障维修
  • 创维715G6679-P04-003-002S电源背光二合一
  • 创维液晶电视47E800A黑屏有声修复一例
  • 康佳LC32ES6液晶2电视灰屏故障的维修
  • LG 32LS3150-CA液晶电视,图像上下颠倒的

QQ|门户地图|网站地图|家电维修|手机版|家电维修技术论坛 ( 蜀ICP备14030498号-16 川公网安备51102502000162号 )

GMT+8, 2026-4-1 15:58

Powered by Discuz! X3.4

© 2001-2023 Discuz! Team.

返回顶部