有不少神来之笔的NAD功放
文章整理:
来源: 作者: 点击:
据说NAD是应当年美国著名的气垫鼻祖AR音箱在欧美各地的高级代理商要求而专门创立的,设计上可能糅合了美国设计师的专业均衡剪切理念,所以即使在英国功放中也属于特立独行的一个家伙!
两阶20赫兹高通、限制带宽,节省功率,提升音质。
另类的衰减反馈式音调,传统英国均衡风味很浓。
前级正负28伏高电压前级,后级的电压级供电高出电流级供电好几伏,动态庞大。
抗过载柔性剪峰,气囊功率扩展,两大专利成为NAD传世经典。
这种神来之笔在更高级的英国功放上都看不到。
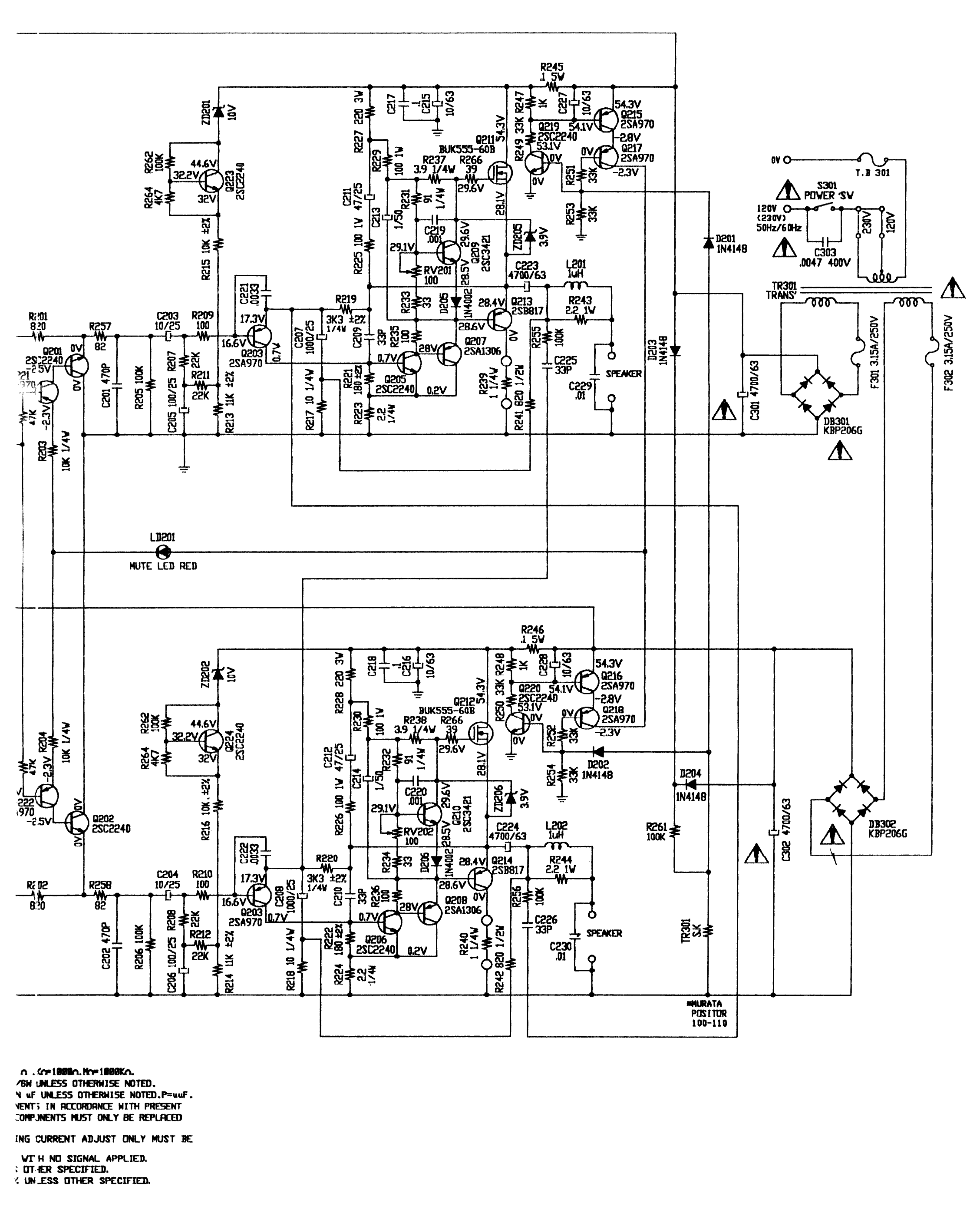
NAD功放后图
NAD功放前级图

NAD功放前级编辑
taGS:
上一篇:NAD C272功放
下一篇:返回列表
